GB380/0.6 機械隔膜式計量泵 |
|||||||||||||||||||||||||||||||||||||||||||||||||||||||||||||||||||||||||||||||||||||||||||||||||||
|
|
|||||||||||||||||||||||||||||||||||||||||||||||||||||||||||||||||||||||||||||||||||||||||||||||||||
![]()
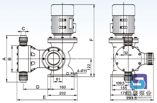
產品介紹 GB380/0.6 機械隔膜式計量泵產品描述 流量范圍:0-1800 L/H 壓力范圍: 0-0.6 MPA 電機功率: 750W, 1.1KW, 1.5KW, 220V / 380V / 420V / 110V, 50/60Hz, 驅動系統: 兩相、三相標準電機或防爆電機 防護等級: IP55 流量控制:手動控制, 自動控制(接收4-20mA 信號) 材料 泵頭: SUS304, SUS316, PVC, PTFE 隔膜: PTFE 單向閥: SUS304, SUS316, PVC, PTFE 閥球: ZrO2, SUS304, SUS316, 陶瓷 工作條件 環境溫度: -30℃ ---80℃ 技術參數
隔膜試計量泵特點 1、鑄鋁殼體,散熱性能高,整體重量輕,適用各種酸堿藥液,無毒無味。 2、采用凸輪機構.整體上完全無泄露,可安置于藥槽或管道上。 3、接觸介質泵頭為PVC、可選PTFE、及不銹鋼材質。 4、性價比高,普遍適用于,壓力要求不高的水處理行業。 5、在泵運行或停止時也可任意調節流量也可定量輸出。 6、隔膜為多層復合結構壓制而成,第一層超韌性Teflon耐酸薄膜,第二層EPDM彈性橡膠,第三層厚度3.mm SUS304支撐鐵芯,第四層采用強化尼龍纖維補強,第五采用EPDM彈性橡膠完全包履,可有效提升隔膜使用壽命。 應用 GB380/0.6 機械隔膜式計量泵廣泛應用于石油化學工業、醫藥、飲食、火電廠、核電、環境保護、礦山、國防等科研和生產部門。 因產品生產批次、型號不同,產品圖片及安裝尺寸僅供參考,詳情可聯系我們的銷售人員了解更多GB380/0.6 機械隔膜式計量泵相關信息!
|
|||||||||||||||||||||||||||||||||||||||||||||||||||||||||||||||||||||||||||||||||||||||||||||||||||




















